jinnianhui金年会

Today is: English Corner | Collect it | Ftont-page it | Contact
Home Adout Us Products Show Corporate News Customer Service
中文版 ENGLISH
Your Position: Home>> Products Show
Product details  
 
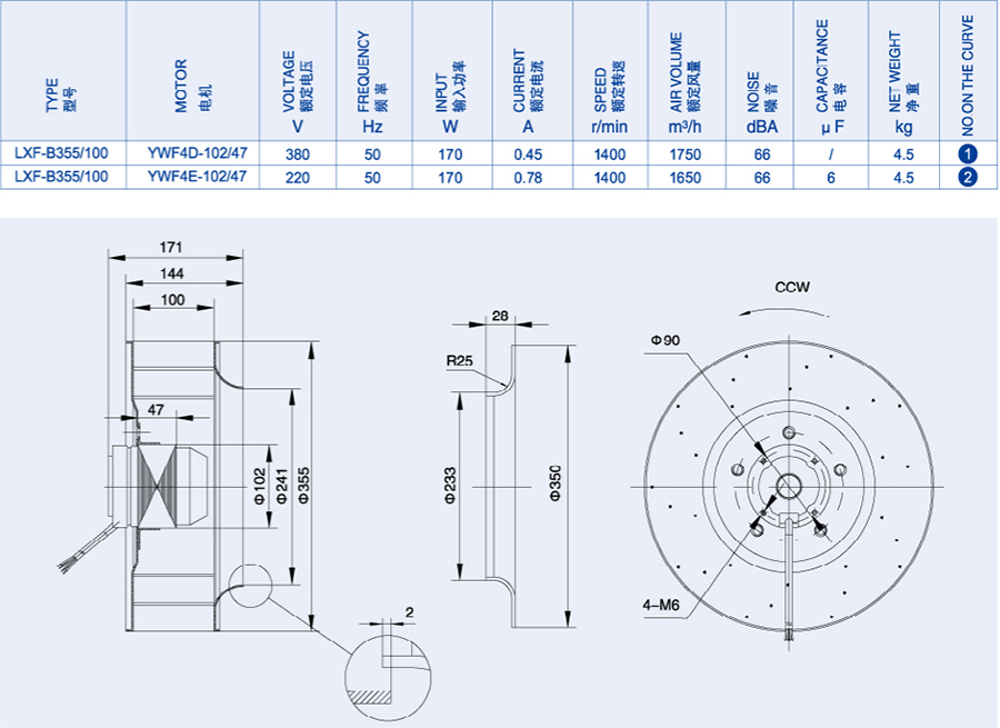
Product Name: LXF Backward Centrifugsl fans(AC) Model No: LXF Backward Centrifugsl fans(AC)

 

 

 

COPYRIGHT © 2007-2023 jinnianhui金年会.
20th floor of Jindu Building, Haigang District, Qinhuangdao City TEL:0335-86240288 89186908 89166617
XML 地图